Maintenance

维修保养

压缩式垃圾车保养系列之: 液压系统的保养

每周检查油缸的活塞杆是否有刮痕和刻痕,这些损坏会引起油缸防尘圈及密封件磨损。若发现应及时抛光修复。检查活塞杆时,活塞杆应完全伸出后进行检查,并采取安全措施,避免发生意外损坏的危险。

12/23 2025 86
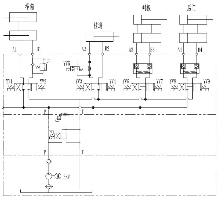
压缩式垃圾车液压系统的维护保养

压缩式垃圾车液压系统的维护保养

液压系统的额定压力为16MPa,出厂时己调好,不宜随意调动。若使用时溢流压力有变化,可调节溢流阀调节旋钮。顺时针旋转,压力升高;逆时针旋转,压力降低,完成调整后拧紧锁紧螺母

12/23 2025 98

压缩式垃圾车保养系列之三:保养项目及注意事项

检查、保养、维修注意事项 机器长时间使用后,会产生自然磨损和某些联接件松动。因此,对机器进行经常性的检查、保养是非常必要的。正确的检查、维护、保养可延长机器的使用寿命

12/23 2025 61

纯电动环卫车辆保养系列之二: 久放不用车辆存放要求

久放不用车辆不利于电池系统寿命的保持,如无特殊原因不建议该行为的发生;如客观条件限制需长期存储,请严格执行以上存储及再使用规定!

12/23 2025 51

纯电动环卫车辆保养系列之一:例行保养

保养期间使用高压电器将自动中断保养,此时需重新执行保养操作。 维护完成后1个月内如连续出现两次及以上的维护报警时,请主动与电池供应商售后服务人员或服务站联系获取帮助。

12/23 2025 53

新能源环卫车辆保养系列:高压系统维护注意事项

上电和断电操作注意事项:纯电动车上电打开钥匙,直到仪表灯点亮,自检正常后方可启动,禁止打开点火锁直接启动。断电时,必须等待仪表完全熄灭后,才能再次上电,不可短时间重复快速上电和断电。高压控制系统主控制器,有直流电高压输入输出线,专业维修人员维修时要切断高压电源开关,对高压电源进行检查维修时,必须佩戴绝缘手套和绝缘鞋、使用绝缘工具,在任何情况下不能同时接触储能系统的正负极。

12/23 2025 46

动力电池维护使用与保养细则

车辆的电源系统充电使用模式:当电源系统的荷电状态即SOC低于12%时,需及时给车辆充电, 按照充电规程进行;当电源系统正负极柱端无高压输出,及单体电池温度、电压数据等未上传至仪表或智能显示屏时,请通知专业技术人员进行诊断,切勿擅自打开电池箱及电池管理系统主控制器BMU。

12/23 2025 47

纯电动车辆存放及维护周期要求

纯电动车辆的存放需集中存放,集中管理,存放位置要远离加油站、加气站、热源、火源、腐蚀性气体、潮湿的地方,同时还应避免尖锐物体的撞击、挤压

12/23 2025 46
  • <<
  • 1
  • 2
  • >>
  • 在线咨询
    13837185976

    请输入您的手机号码,客服稍后会与您联系!

    点击免费通话